Phụ tùng sửa chữa/ thay thế máy BO3710 - Phần 3
Thương hiệu: Makita | Xem thêm các sản phẩm Máy chà nhám, đánh bóng của MakitaMô tả ngắn
Nhà cửa & Đời sống > Dụng cụ & Thiết bị tiện ích > Dụng cụ > Giấy nhám, máy chà nhám và phụ kiện || Phụ tùng sửa chữa/ thay thế máy BO3710 - Phần 3Còn hàng
So sánh giá ×
Công ty:Điện máy Nam Cường PhátXem thêm các sản phẩm Máy chà nhám, đánh bóng bởi Điện máy Nam Cường Phát
- Giao hàng toàn quốc
- Được kiểm tra hàng
- Thanh toán khi nhận hàng
- Chất lượng, Uy tín
- 7 ngày đổi trả dễ dàng
- Hỗ trợ xuất hóa đơn đỏ
Giới thiệu Phụ tùng sửa chữa/ thay thế máy BO3710 - Phần 3
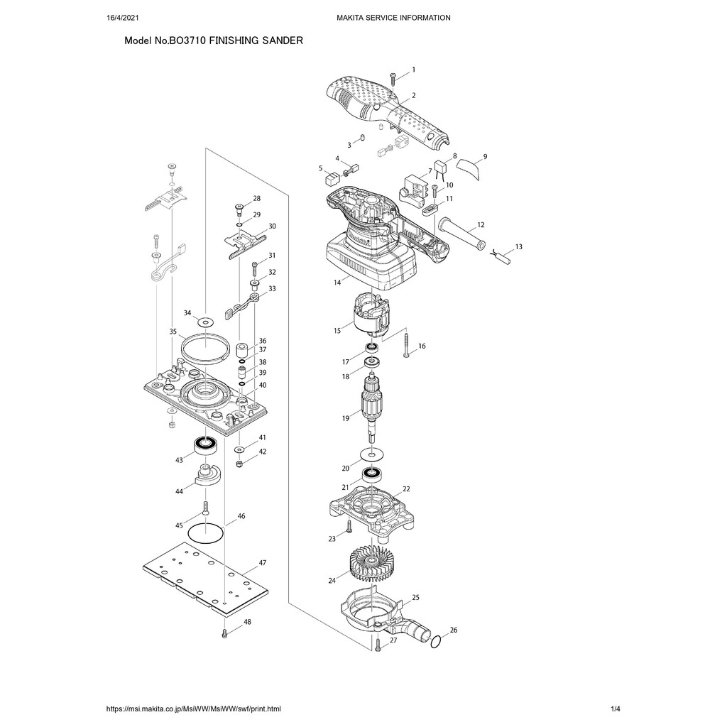
Nhằm tạo sự thuận tiện nhất cho quý khách hàng khi cần đặt hàng linh phụ kiện thay thế cho các dòng máy của Makita/ MaktecShop xin phép được phân loại hàng hóa dựa trên sơ đồ của máy
Quý khách hàng vui lòng xem số thứ tự của phụ tùng trên sơ đồ máy để đặt hàng linh kiện cho phù hợp
Trân trọng cảm ơn!
----------------------------------------------------------------------------------------------
Công ty TNHH Thương Mại và Dịch Vụ Nam Cường Phát
Trung tâm bảo hành ủy nhiệm Makita tại Nghệ An
Trung tâm bảo hành ủy nhiệm máy hàn Jasic- Weldcom tại Nghệ An- Hà Tĩnh
Địa chỉ: số 16 Phan Bội Châu- P. Lê Lợi- TP. Vinh- Nghệ An
MSDN: 2901826846
Bán buôn, bán lẻ máy hàn, máy cắt chính hãng Weldcom, Jasic...
Dụng cụ và phụ kiện cầm tay chính hãng Makita, Maktec, Bosch, Worx...
Máy cắt cnc plasma, máy cắt laser fiber và máy hàn dầm tự động
Giá PIRATE
Từ khóa
máy in màuapple watchmotor công nghiệp 1,5kwtotalbộ mũi khoan đa năngmáy khoan pinboschingcomakitaryobidewaltđệm hơimay đanh trungđá màimáy mài daođá mài daobùi nhùi thépbùi nhùibàn chải chà sànkènmáy bào gỗ makitamaktecmáy bào tuongmáy phay gỗ maktecmáy bào gỗmáy đục bê tôngdektonmáy phát điệnworxmáy cưa xích chạy pin














