MẠCH IN, MẠCH PCB PHÂN TẦN 1 BASS 1 TREBLE - LỌC BẬC 2 CHUẨN
Mô tả ngắn
Thiết Bị Âm Thanh > Amply và đầu chỉnh âm || MẠCH IN, MẠCH PCB PHÂN TẦN 1 BASS 1 TREBLE - LỌC BẬC 2 CHUẨNCòn hàng
So sánh giá ×
- Giao hàng toàn quốc
- Được kiểm tra hàng
- Thanh toán khi nhận hàng
- Chất lượng, Uy tín
- 7 ngày đổi trả dễ dàng
- Hỗ trợ xuất hóa đơn đỏ
Giới thiệu MẠCH IN, MẠCH PCB PHÂN TẦN 1 BASS 1 TREBLE - LỌC BẬC 2 CHUẨN
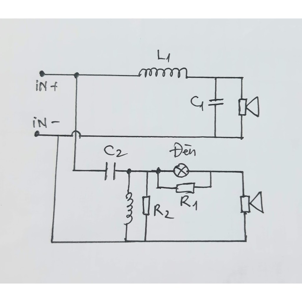
Mạch phân tần 1 bass 1 treble - Lọc bậc 2 chuẩn nhất : (giá 40.000/ cặp 2 miếng PCB)Mạch in pcb phân tần 1 bass 1 treble thông dụng nhất hiện nay,
sử dụng cho hầu hết các loại loa thông dụng như karaoke, sân khấu, loa kéo...
Ưu điểm :
+ Mạch sợi Thủy tinh cứng bền đẹp.
+ Thiết kế theo mạch chuẩn , đa năng, có thể tùy ý thay đổi LK
+ Quý khách có thể chọn tụ lọc và cuộn cảm tùy ý cho phù hợp với loa
Một số thông số tham khảo:
Bậc 2, 12dB/ Octave : tần số cắt 2600Hz, L1=0,98mH, C1=7,65uF , L2=0,49mH, C2=3,8uF
với các thông số tính toán như vậy các bạn có thể điều chỉnh một chút cho phù hợp
với linh kiện có sẵn và củ loa, thùng loa. ví dụ C1 chọn tụ 6,8uF, 8,2uF còn C2 chọn từ 3,3uF đến 3,6uF
(nhiều bạn cho rằng tụ cản treble 3,3uF là cao, nhưng không phải vậy, đây là phân tần bậc 2 chứ ko phải bậc 1 nhé, con tụ này phụ thuộc nhiều vào tần số cắt và cuộn cảm L2)
Dưới đây là sơ đồ , các bạn có thể thay đổi cấu trúc tùy ý , mạch PCB đa năng rất dễ điều chỉnh
Kích thước:7,1 x 14,85cm
-----
Xuất xứ: Việt Nam
Sản xuất tại: Công ty TNHH SX TM Sóng Việt
Địa chỉ: Lô 7 đường 5C KĐT Lê Hồng Phong II, p. Phước Hải, TP Nha Trang, Khánh Hòa
Giá KATA
Từ khóa
amply karaokesound cardsoundcardsoud cardbàn djâmli miniampli minimáy nâng tiengamly karaoke bluetoothamply mini bluetoothamly miniamplyamlyvang cơampliamli cong suat lon 20 siam li minilọc xìâm ly minivang cơ nẽ fx8 plus chính hãngcossover beringer 3400amly karaoke bluetooth cali pro 666dâm ly karaokeequalizermixercục đẩy công suấtam lyđẩy công suấtđẩy công suất 4 kênhamply jarguar














