Kit tạo và đồng bộ tần số 10 kênh CDCE72010EVM
Mô tả ngắn
Nhà cửa & Đời sống > Dụng cụ & Thiết bị tiện ích > Dụng cụ > Hộp dụng cụ cầm tay || Kit tạo và đồng bộ tần số 10 kênh CDCE72010EVMCòn hàng
So sánh giá ×
- Giao hàng toàn quốc
- Được kiểm tra hàng
- Thanh toán khi nhận hàng
- Chất lượng, Uy tín
- 7 ngày đổi trả dễ dàng
- Hỗ trợ xuất hóa đơn đỏ
Giới thiệu Kit tạo và đồng bộ tần số 10 kênh CDCE72010EVM
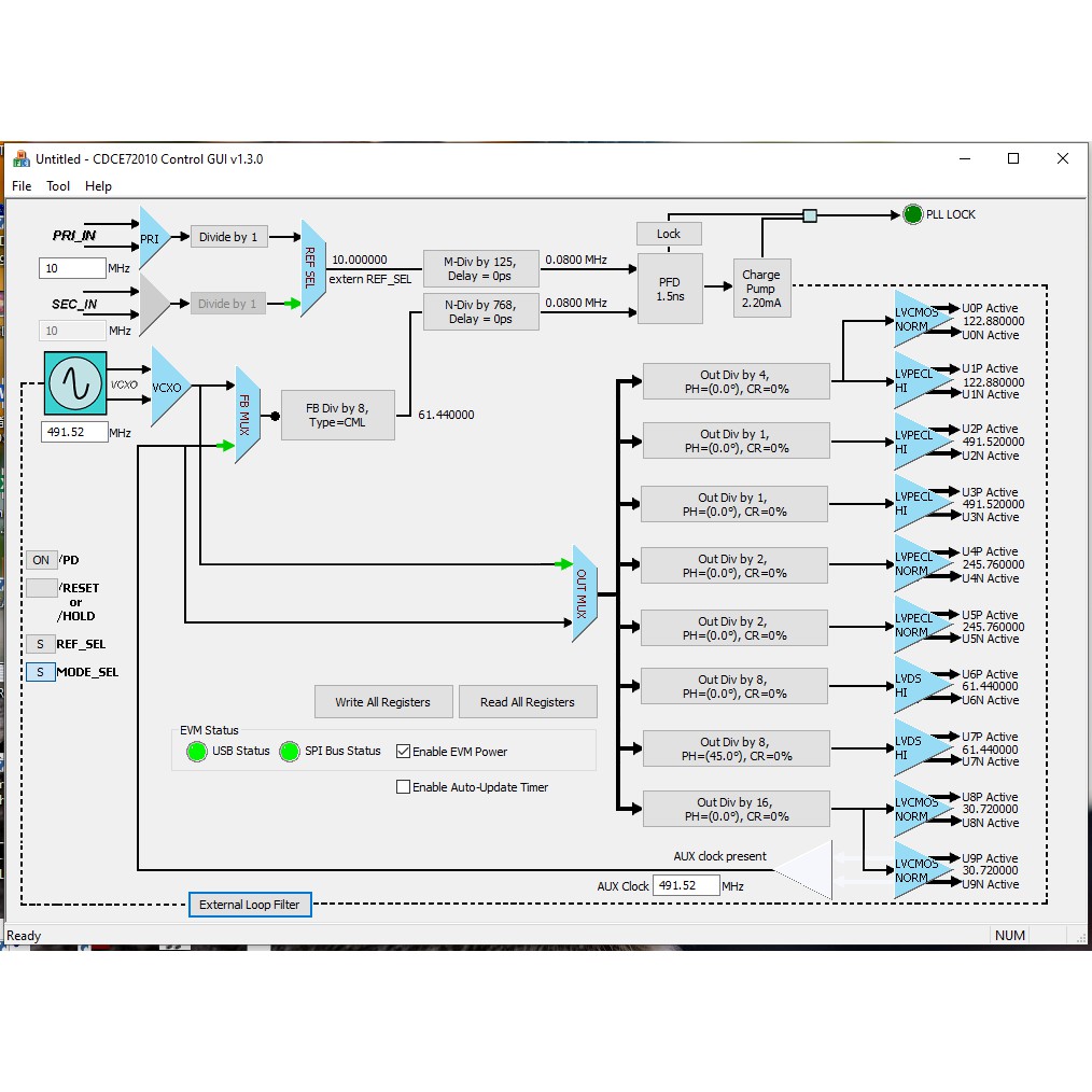
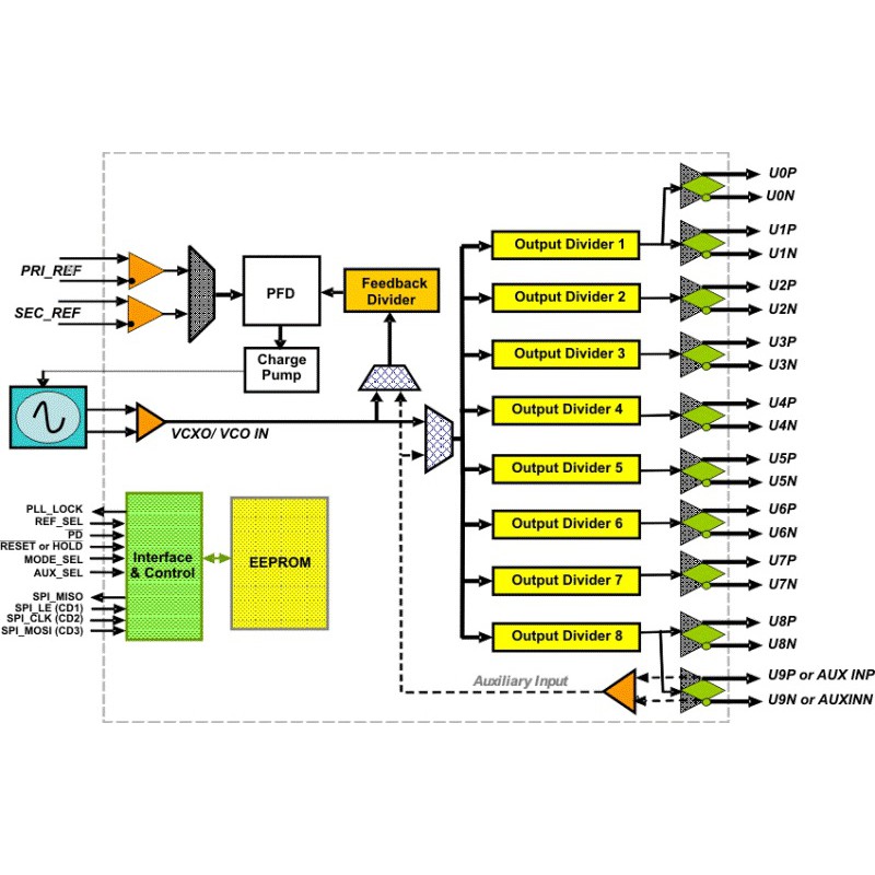
Hàng đã qua sử dụng:CDCE72010EVM là kít tại và đồng bộ tần số khử jitter của Texas Instrument
Chức năng đồng bộ tần số
2 kênh tham chiếu đầu vào
10 kênh ra
Tần số max 1500Mhz
Vcore 3.3V
Vout 3.3V
Tín hiệu đầu vào :LVCMOS, LVPECL
Tín hiệu đầu ra: LVCMOS, LVDS, LVPECL
tích hợp EEPROM, có thể lập trình phase offset
Kết nối máy tính qua cổng USB và thiết lập thông qua phần mêm CDCE72010 Control GUI.
Thông tin thêm :
http://www.ti.com/lit/ug/slau250/slau250.pdf?ts=1591670518286&ref_url=https://www.google.com/
#CDCE72010 #CDCE72010EVM #clock generator #đồngbộtầnsố
Giá DPINO
Từ khóa
ống co nhiệtống gen co nhiệthộp đựng linh kiện điện tửtotaldewaltkeo epoxy resin trong suốthộp nhựa đựng đồ đa nănghộp đựng đồ đa năngthùng đựng đồpegboardđồng hồ ampe kìmdao bấmdụng cụ sửa điện thoạichặn cửadây thông cống lò xoê tô kẹp bàncảo bạc đạnêtô kẹp bànđồ cơ khímiếng chặn cửaron cửaron chặn khe cửaron dán khe cửathanh chắn cửaron dán chân cửachặn khe cửaxốp chặn khe cửathanh chắn khe cửamiếng chắn khe cửadụng cụ sửa ống nước














