Driver điều khiển động cơ hybrid servo 2 phase H2-758 chính hãng Leadshine
Mô tả ngắn
Ô tô > Dầu nhớt và phụ gia ô tô > Mỡ & Chất bôi trơn || Driver điều khiển động cơ hybrid servo 2 phase H2-758 chính hãng LeadshineCòn hàng
So sánh giá ×
- Giao hàng toàn quốc
- Được kiểm tra hàng
- Thanh toán khi nhận hàng
- Chất lượng, Uy tín
- 7 ngày đổi trả dễ dàng
- Hỗ trợ xuất hóa đơn đỏ
Giới thiệu Driver điều khiển động cơ hybrid servo 2 phase H2-758 chính hãng Leadshine
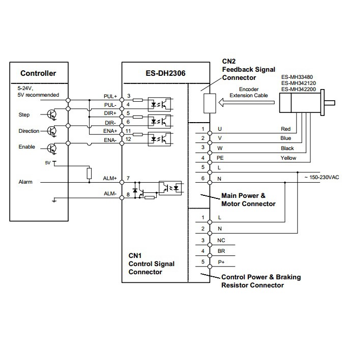
1. Sản phẩm chính hãngDriver Hybrid servo hãng Leadshine H2-758 và HBS758 là loại driver động cơ bước 2 phase lai enconder, đây đang là dòng sản phẩm Easy Servo mạnh mẽ nhất của Leadshine. Sản phẩm không chỉ được ứng dụng trong các máy CNC mà còn được ứng dụng rỗng rãi trong hệ thống, dây chuyền công nghiệp cũng như trong các yêu cầu dân dụng.
Sản phẩm được bảo hành 1 năm, hỗ trợ kỹ thuật sau bảo hành.
2. Thông số kỹ thuật chuẩn
Sử dụng công nghệ điều khiển 32 bit – DSP tiên tiến
Moment xoắn đạt: 8Nm.
Nguồn điện hoạt động tối đa: 80VAC
Vi bước cấu hình trên driver hoặc có thể config bằng phần mềm
Tín hiệu điều khiển được cách ly tần số cao, 2 chế độ dir/step hoặc CW/CCW
Tần số xung dịch bước lên tới 500kHz (confilg bằng phần mềm)
Tự động điều chỉnh dòng tải 0-8A
Bảo vệ quá dòng, quá nhiệt độ hoạt động.
Động cơ chuẩn mặt bích size86, trục động cơ 14mm
---------------------------------------------------------------------------------
INBOX ĐỂ ĐƯỢC TƯ VẤN THÊM VỀ SẢN PHẨM
SĐT liên hệ : 0983421523
#machviet #driver #machvietcnc #cnc #bodieukhien #dongcobuoc #hybridservo #acservo #servo #mach3 #ncstudio #cardnc #raytruot #contruot #xcmcu #plasma #leadshine #jmc #sumtor #dongcobuoc57 #dongcobuoc86 #tamchanbui #vitme #cuduc #spindle #cuducvitinh #bientan #inverter #ykhmi #hmi #plc #nmrv #gear #giamtoc #giamtochanhtinh #couping #khopnoi #daocnc
Giá TEMCO
Từ khóa
moto giảm tốcmotor giảm tốcrp7rp7 chong gi setxịt rp7dầu mỏskfshell gadusdầu mỡ bò bôi trơn cho các loại máy cầm taychai xịt dầu chống rỉ, bảo dưỡng khuônghếbànkeo tản nhiệtnụ trầm hươngtrầm hương xông nhànhang xanhtay co thuỷ lựctay co thủy lực hãm cửa gỗmỡ hànmỡ hàn thiếcmỏ hàn chìmáy hàn migchiếu tăm tredầu máy maythanh trượt trònmỡ skfmỡ hàn amtechbôi trơnsáp ongmỡ chịu nhiệt cao skf lghp 2














