Mạch pin Makita 5S 18V - 21V 50A có giắc sạc DC
Mô tả ngắn
Nhà cửa & Đời sống > Dụng cụ & Thiết bị tiện ích > Dụng cụ > Khác || Mạch pin Makita 5S 18V - 21V 50A có giắc sạc DCCòn hàng
So sánh giá ×
- Giao hàng toàn quốc
- Được kiểm tra hàng
- Thanh toán khi nhận hàng
- Chất lượng, Uy tín
- 7 ngày đổi trả dễ dàng
- Hỗ trợ xuất hóa đơn đỏ
Giới thiệu Mạch pin Makita 5S 18V - 21V 50A có giắc sạc DC
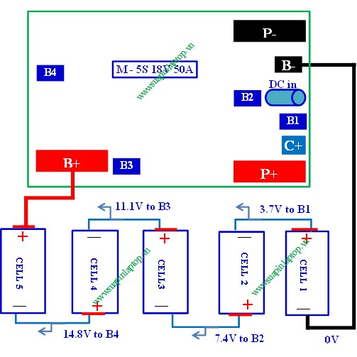
Thông tin sản phẩm và sử dụng:Mạch sạc và bảo vệ pin Makiat 5S 18V 50A
- Điện thế bảo vệ: 2.75v
- Điện thế sạc đầy: 4.2v
- Dòng xả liên tục: 50A
- Dòng xả tức thời: 80A
- Chức năng: Sạc bảo vệ cell pin Li-ion, dùng trong pin máy khoan, máy bắt vít Makita,... có mức điện thế từ 18v - 18.5v. Sử dụng 5 cell Li-ion nối tiếp hoặc 5 cặp cell mắc nối tiếp thậm chí nhiều hơn nữa.
- Giắc sạc DC 5.5*2.1mm
- Hàn theo thứ tự từ B- (0V), B1(3.7V), B2(7.4V), B3(11.1V), B4 (14.8V) và B+ (18V)
Lưu ý:
- Mạch này có thể không tương thích với máy khoan makita đời cao BL 3 chân pin. Khắc phục: Nối diod từ chân P+ sang C+
- Khi đóng pin cho máy công cụ cầm tay, cần chọ cell có dòng xả cao (10C, 15C, 20C,…)
- Đóng pin từ 2P (2 cell song song) trở lên và không dùng cell cũ/kém chất lượng
- Sản phẩm là 01 mạch bảo vệ, không bao gồm pin, sạc hay sản phẩm minh hoạ khác. Màu sắc, hình ảnh có thể khác so với thực tế, chức năng không đổi. Các thông số nêu trên là từ nhà sản xuất (Nsx), shop chưa kiểm chứng thực tế
-----------
Một số điều cần biết v/v đổi/trả hàng:
- Bms là sản phẩm điện tử chuyên ngành và sử dụng kết hợp. Để Bms hoạt động phải đảm bảo 2 điều kiện “cần” và “đủ”: Khối pin đạt chuẩn và thợ hàn mạch chính xác theo Hd từ Nsx và Shop
- Khối pin phải được hàn ghép từ các cell đạt chuẩn, phải có 3 thông số: Điện áp, dung lượng và nội trở đồng đều ở từng cell một và được cân bằng điện áp ở mức 3.7v, không để cell quá cạn hoặc sạc quá đầy (trên 4.2v), không dùng được với khối pin không đạt chuẩn (cell cũ từ nhiều nguồn khác nhau)
- Thợ phải có kiến thức chuyên ngành năng lượng pin và có đủ thiết bị đo kiểm, đồng thời phải có kinh nghiệm để đảm bảo không hàn sai, ngược hay chạm chân linh kiện, cũng như phải đảm bảo được việc chọn lựa dòng sạc-xả giữa mạch, pin và thiết bị đầu cuối là phù hợp và chuẩn xác
- Cần kiểm tra sp trước khi dùng (phải có video). Nếu phát hiện sp không mới 100% hay không còn nguyên vẹn do vận chuyển hoặc lỗi Nsx… Hãy giữ nguyên để Shop đổi
- Shop từ chối đổi/trả hàng khi đã sử dụng: Một số “thợ” sửa xe, sửa ống nước….. kiêm sửa pin (lần đầu và/hoặc chỉ mua 1, 2 sp). Thấy pin đang sài bt, nay k dùng được thì nghĩ là hư Bms và đặt mua về tự thay hoặc một số “thợ” tự mua cell và Bms về đóng pin mới (copy theo pin cũ), trong khi k hiểu rõ…. đôi lúc mua sạc sai điện áp hoặc đấu ngược giắc cắm DC…hệ quả là k sạc được pin hoặc chạm nguồn, cháy nổ và hỏng mạch….
------------
Thông tin liên hệ và lịch làm việc:
341/58b Lạc Long Quân, P.5, Q.11, Tp.HCM
Hotline: 0913 981 981 – 028 3601 7567
Website: www.suapinlaptop.vn
Mở cửa: 8:00 - 18:00 (Lễ và CN nghỉ)
------------
#mạch_makita_5s #mạch_makita_5s_18v #mạch_makita_18v #mạch_makita_21v #mạch_bảo_vệ_makita_5s #mạch_bảo_vệ_pin_makita_5s #mạch_bảo_vệ_makita_5s_18v #mạch_bảo_vệ_makita_18v #mạch_bảo_vệ_makita_21v
Giá INTCon
Từ khóa
ống co nhiệtống gen co nhiệt cách điệntotalkeo dán gỗkeo trám tườngchống thấmbản lề gập thông minhpegboarddao bấmbùi nhùi thépkeo dan điện thoạichặn cửanam châm hút cửacảo 3 chấuê tô kẹp bàncảo bạc đạnêtô kẹp bàncon đội thủy lựcmiếng chặn cửaron cửachèn cửaron chặn khe cửaron dán khe cửaron cửa chống khe hởchặn cửa chống va đậpmút chặn khe cửanẹp xốp chặn khe cửathanh chắn cửamiếng xốp chặn cửaron dán chân cửa














